Lompat ke konten Lompat ke sidebar Lompat ke footer

4017 Schematic - The Tone God Vanishing Point - Here you will find a collection of cd4017 circuits.

4017 Schematic - The Tone God Vanishing Point - Here you will find a collection of cd4017 circuits.. Simple ic 555 inverter circuit wave shaping stage: How the motion sensor circuit works. It produce output one by one at the 10 output pins. Explore below some interesting electronic circuits based on ic cd4017. Connected to the ground of the circuit.

The circuit designed by using this ic will save board space and also time required to design the circuit. The 4017 is constructed in a astable configuration. This ic will count from 0 to 10 and the circuit with an ic 4017 will save board space as well as the time necessary to design the circuit. Cascading 4017 ics for generating more than the usual 10 sequential outputs has always remained quite illusory and a confusing configuration. It can count from 0 to 10 (the decade count).

How To Build A Decade Counter With A 4017 Chip
How To Build A Decade Counter With A 4017 Chip from www.learningaboutelectronics.com
It can also be used as led flasher with few modifications. Two 4017 counter ic to get sequenced output from it. It can produce output at the 10 pins sequentially, i.e. If you use the 9v battery then you may have to connect multiple batteries in parallel to supply the led chaser circuit. You can easily make this 4017 circuit with some basic components. Really great stuff on 4017 ic. Cd4017be/4017 or hcf4017be or 74hcf4017 is a decade counter ic. Pcb layout for 4017 led chaser circuit

The 4017 is constructed in a astable configuration.

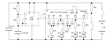
5v goes into pin 16 of the chip and pin 8 gets grounded. Connected to the ground of the circuit. This is used as carry while counting. Look at the figure below is a block diagram of inside ic 4017 / hcf4017. W can use it for low range counting applications. For the 1st option, an audio spectrum circuit can be used. We are applying the 50hz, 50% duty cycle signal to ic 4017 which is a decade counter, which will produce the modified sine wave, let's take a look in detail. The 100nf capacitor (c1) with the potentiometer (r2) wired as an adjustable resistor set the frequency of the oscillation. This the schematic of the 10 led chaser with only 4017 ic. Cd4017 is a johnson 10 stage cmos decade counter ic. The cd4017 is a cmos decade counter ic. D13 causes the sequence to repeat continuously. What is an ic 4017 decade counter?

A simple wiring using a few diodes around a couple of 4017 ics may be used to create a kind of mutual hold and release signaling between the two ics. When clock signal is applied at the pin no14 then output one by one high.pin diagram Which its output glowing will slide down each position, by begin from output at 1 is pin 3, 2, 4, 7, 10, 1, 5, 6, 9 and 11 in sequence. The 4017 takes an input clock signal then sequentially outputs a high pulse on each of 10 output pins. This establishes sufficient power for the operation of the chip.

Flip Flop Timer Using 4017
Flip Flop Timer Using 4017 from www.eeweb.com
How the motion sensor circuit works. The 4017 is constructed in a astable configuration. W can use it for low range counting applications. It can count from 0 to 10 (the decade count). The 4017 takes an input clock signal then sequentially outputs a high pulse on each of 10 output pins. Carry out (co) this pin goes high after the ic counts from 1 to 10. When any object comes within the range, some amount of infrared reflects from the object surface and that reflected infrared can be detected by the ir receiver led. We are applying the 50hz, 50% duty cycle signal to ic 4017 which is a decade counter, which will produce the modified sine wave, let's take a look in detail.

Explore below some interesting electronic circuits based on ic cd4017.

The circuit designed by using this ic will save board space and also the time required to design the circuit. A 555 timer is set up in astable mode, which makes it into an oscillator circuit that creates a clock signal. Cd4017be/4017 or hcf4017be or 74hcf4017 is a decade counter ic. Cascading 4017 ics for generating more than the usual 10 sequential outputs has always remained quite illusory and a confusing configuration. This ic will count from 0 to 10 and the circuit with an ic 4017 will save board space as well as the time necessary to design the circuit. The 100nf capacitor (c1) with the potentiometer (r2) wired as an adjustable resistor set the frequency of the oscillation. Pcb layout for 4017 led chaser circuit This the schematic of the 10 led chaser with only 4017 ic. Construct the circuit as shown in the circuit diagram. The 4017 is constructed in a astable configuration. Circuit diagram & other details. When clock signal is applied at the pin no14 then output one by one high.pin diagram The number of events in the sequence may be increased to nine or ten.

We are applying the 50hz, 50% duty cycle signal to ic 4017 which is a decade counter, which will produce the modified sine wave, let's take a look in detail. The schematic diagram for the decade counter using the 4017 chip is shown below. The circuit will illuminate leds in different combination (randomly) in response to a tap or weight change detected by the sensor. It produce output one by one at the 10 output pins. See more ideas about electronics circuit, circuit, circuit diagram.

Simple Clap On Off Switch Using 4017 Ic Envirementalb Com
Simple Clap On Off Switch Using 4017 Ic Envirementalb Com from envirementalb.com
Here you will find a collection of cd4017 circuits. Here is the circuit diagram of police lights circuit using 555 timer and 4017 decade counter. The circuit designed by using this ic will save board space and also time required to design the circuit. Really great stuff on 4017 ic. The circuit uses the 4017, a simple cmos decade counter. It can count from 0 to 10 (the decade count). Explore below some interesting electronic circuits based on ic cd4017. This the schematic of the 10 led chaser with only 4017 ic.

One of the most popular hobbyist projects to build with this chip is the running leds circuit.

Ic cd4017 is a cmos decade counter ic. This is pin diagram of cd4017 counter.this 4017 counter ic is known as johnson counter ic. How the motion sensor circuit works. It can count from 0 to 10 (the decade count). You should learn by doing many circuits using 4017. This ic will count from 0 to 10 and the circuit with an ic 4017 will save board space as well as the time necessary to design the circuit. Whether you're a diy owner or a professional mechanic, emanualonline.com has you covered This clock signal goes into the clock input of the ic 4017. 4017 led chaser schematic diagram. This is used as carry while counting. For the 1st option, an audio spectrum circuit can be used. The number of events in the sequence may be increased to nine or ten. The 555 timer is used to produce the clock pluse for the 4017.

Posting Komentar untuk "4017 Schematic - The Tone God Vanishing Point - Here you will find a collection of cd4017 circuits."